과학연구

자기공진결합무선전력전송에서 복합공진회로의 효과적응용

 2020.4.2.

경애하는 김정은동지께서는 다음과 같이 말씀하시였다.

《첨단과학기술분야에서 세계적경쟁력을 가진 기술들을 개발하기 위한 투쟁을 힘있게 벌려야 합니다.》

무선전력전송기술은 20세기말부터 급속히 그 연구와 응용이 활발해지기 시작한 기술로서 21세기 에네르기산업의 발전을 추동하는 중요한 과학기술분야의 하나로 주목되고있다. 무선전력전송은 전기선이 없이 공간을 통하여 전자장치에로 전기에네르기를 직접 전송한다는 개념으로서 그 구상은 이미 19세기말에 제기되고 그 실현을 위한 일련의 시도들이 진행되였다.

손전화기와 판형콤퓨터를 비롯한 휴대용 전자제품들의 광범한 개발과 리용, 전기자동차의 급속한 보급은 이러한 전기장치들의 안전한 전력공급을 담보하는 무선전력전송기술의 개발과 도입을 더욱 가속적으로 추동하고있다.

무선전력전송에는 여러가지 방식들이 있는데 그중에서 전송회로와 접수회로에서의 공진을 리용한 자기공진결합무선전력전송이 근거리 및 중간거리에서의 전력전송에서 높은 효률을 보장할수 있는 우월한 방법으로 인정되고 이에 대한 연구가 가장 활발히 벌어지고있다.

김일성종합대학 에네르기과학부에서는 세계에 도전하고 세계와 경쟁하며 세계를 앞서나갈데 대한 경애하는 김정은동지의 사상을 높이 받들고 무선전력전송기술분야에서 첨단을 돌파하기 위한 연구를 힘차게 벌려 일련의 연구성과를 이룩하였다.

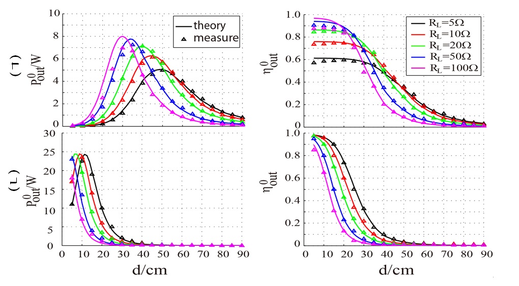
첫째로, 자기공진결합무선전력전송분야에서 미해명으로 남아있던 복합공진회로에 기초한 무선전력전송체계들의 특성을 통일적으로 해석할수 있는 방법을 연구하고 그에 기초하여 보다 먼 전송거리에서도 높은 전송효률을 보장할수 있는 최적의 체계구조를 얻어내였다. 최적구조의 체계에서는 안테나반경의 4배~5배되는 최대전력전송전송거리가 실현되였으며 최대전송거리에서도 55%이상의 전력전송효률을 보장할수 있었다.

그림.1에 같은 안테나크기와 동작주파수의 최적체계와 직렬-직렬체계에서 짐의 크기와 전송거리에 따르는 전송전력 및 효률의 측정값들을 보여주었다.

여러가지 짐조건에서 전송거리에 따르는 전송전력과 효률값들의 측정결과
그림 1. 여러가지 짐조건에서 전송거리에 따르는 전송전력과 효률값들의 측정결과

그림에서 볼수 있는것처럼 복합공진회로에 기초한 최적체계에서는 직렬-직렬체계에서보다 훨씬 긴 전송거리를 실현하면서도 높은 효률을 보장할수 있다.

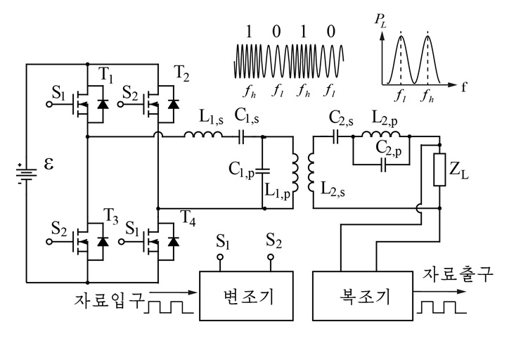
둘째로, 복합공진회로에 존재하는 두개의 직렬공진점을 리용한 전력신호동시전송방법을 제안하고 전력과 신호전송에서 최적의 성능을 나타낼수 있는 체계구조를 설계하였다. 최적구조의 체계에서는 안테나반경의 절반만 한 거리에서 20kbps의 신호전송속도와 85%이상의 전력전송효률을 보장할수 있었다.

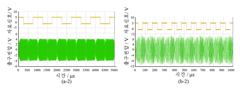
그림.2에 제안된 전력신호동시전송체계의 구성도를 보여주었고 그림3에는 구성된 체계에서 진행한 2kbps와 20kbps의 전력신호동시전송실험에서의 출구파형을 보여주었다.

직렬-병렬결합공진회로에 기초한 무선전력신호동시전송체계의 구성도
그림 2. 직렬-병렬결합공진회로에 기초한 무선전력신호동시전송체계의 구성도
직렬-병렬결합공진회로에 기초한 무선전력신호동시전송체계에서2kbps와 20kbps의 전력신호동시전송 출구파형
그림 3. 직렬-병렬결합공진회로에 기초한 무선전력신호동시전송체계에서2kbps와 20kbps의 전력신호동시전송 출구파형

그림.3에서 볼수 있는바와 같이 2FSK전송방식의 서로 다른 전송주파수에서도 출구신호의 진폭이 변하지 않으며 이것은 안정한 출력과 높은 효률의 전력전송을 보장하게 하는 담보로 된다.

연구된 리론과 제안된 전력전송 및 전력신호동시전송체계들의 성능들은 무선전력전송분야에서 첨단을 돌파한 결과들로서 연구결과들은 세계적으로 영향력있는 잡지들(Jin-Guk Kim et al., "A Comprehensive Study on Composite Resonant Circuit-Based Wireless Power Transfer Systems", IEEE Trans Ind Electron 2018; 65(6): 4670–4680, Jin-Guk Kim et al., "A Wireless Power and Information Simultaneous Transfer Technology based on 2FSK Modulation Using the Dual Bands of Series-Parallel Combined Resonant Circuit," IEEE Trans. Power Electron., vol. 34, no. 3, pp. 2956–2965, Mar. 2019.)에 발표되였다.

우리는 복합공진회로 병렬공진점에서의 전력전송특성에 대한 연구를 비롯하여 자기공진결합에 기초한 무선전력전송기술에서 그 전송거리와 전송효률을 더욱 높이기 위한 연구를 심화시켜나가고있다.